Profil de protection des bords DURABLE E8R
Marque: DURABLE
Longueur: 1000 mm
Matière: Mousse polyuréthane
Art. N° 50007008
Réf. fabricant 1126130
EAN 4005546735863
Prix individuels affichés après la connexion
Application
Idéal pour une utilisation dans les zones de production, les départements d'expédition et d'entreposage, les sous-sols, les escaliers, les garages, sur les murs et les solives, les rayonnages et les armoires ainsi que sur les machines, les chariots de stockage, etc. Marque les zones dangereuses, protège les surfaces et les murs, et atténue les blessures dues aux chocs.
Modèle
- Profil de protection d'angle flexible autocollant en mousse de polyuréthane. Pour usage intérieur uniquement
- Les profils peuvent être raccourcis à la longueur désirée avec un cutter à lame tranchante. Couleur conforme à ASR A1.3 similaire à RAL 1003/9004 (jaune sécurité/noir sécurité). Test anti-incendie conforme à la norme DIN EN 13501-1:2018-12 classe E. Résistant à des températures de -30 °C à +70 °C
![]() | |
Marque | DURABLE |
EAN | 4005546735863 |
Numéro de pièce du fabricant | 1126130 |
Longueur | 1000 mm |
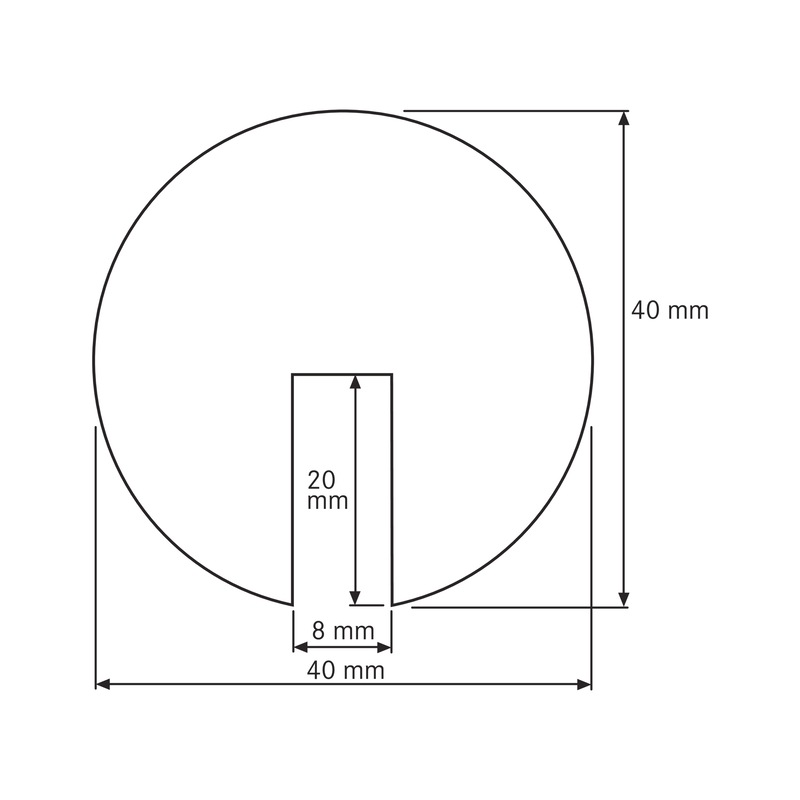
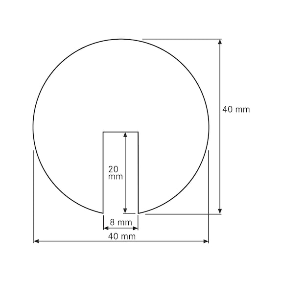
Largeur extérieure | 40 mm |
Hauteur extérieure | 40 mm |
Couleur | Jaune de sécurité RAL 1003, Noir de sécurité RAL 9004 |
Largeur intérieure | 8 mm |
Hauteur intérieure | 20 mm |
Épaisseur du matériau | 17 mm |
Matière | Mousse polyuréthane |
Mandatory testing according to DGUV (UVV) | No |
Poids brut | 1,876 kg |
